设为首页 | 加入收藏 | 返回首页
首 页 公司简介 产品展示 应用领域 销售网络 客户留言 联系我们
多路换向阀系列
单向阀系列
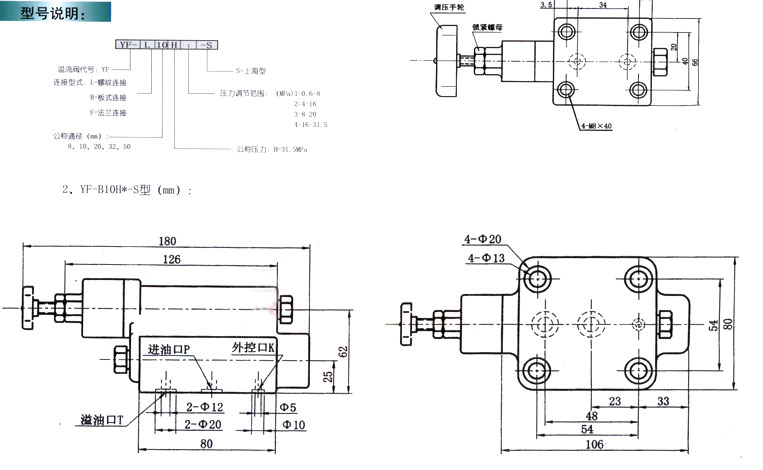
溢流阀系列
手动换向阀系列
电磁换向阀系列
液压锁系列
平衡阀系列
节流阀系列
压力表开关系列
齿轮泵系列
力士乐,油研系列
联系人:丁宏卫
地址:淮安市淮阴工业园区
      纬二路5号
手机:13338909456
电话:0517-84961908
传真:0517-84961908
网址:www.hahdyy.com
邮箱:info@hahdyy.com
开户行:农行淮安市城北支行
帐号:352201040021972
 
 
产品展示 Products show 您所在的位置:首页 -> 产品展示  
·溢流阀·

版权所有:淮安宏达液压机械有限公司  网站备案号:苏ICP备11084057号-1
地址:淮安市淮阴工业园区纬二路5号  联系人:丁宏卫  手机:13338909456  电话:0517-84961908  网址:www.hahdyy.com  邮箱:info@hahdyy.com